




Art.Nr. 74128
Ausführung: gerundete Abdeckungen zum Glas
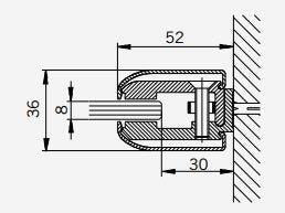
Das Klemmprofil-Set Typ GR ist die ideale Lösung zur Befestigung von feststehenden Scheiben an Wänden. Die Montage erfolgt ohne Bohrungen im Glas, was eine einfache und schnelle Installation ermöglicht.
Das Set besteht aus L-Grundprofil zur Wandbefestigung, 5 Klemmhaltern zum Einschrauben in das L-Grundprofil sowie Zubehör und 2 Abdeckprofilen zur Abdeckung von innen und einem außen. Die abgerundeten Abdeckprofile sorgen für eine ansprechende Optik.
Das Klemmprofil-Set ist für Glasstärken von 8 mm geeignet und hat ein Glasabzugsmaß von ca. 30mm. Es bietet einen Verstellbereich von + 5 mm / - 7 mm und ist in einer Länge von 2000 mm erhältlich. Das Profil besteht aus glanzeloxiertem oder silberfarbig eloxiertem Aluminium und wird inklusive Befestigungsmaterial geliefert.
Mit dem Klemmprofil-Set Typ GR können Sie Ihre Glasdusche sicher und einfach befestigen. Das Set eignet sich besonders für Montage von feststehenden Glastrennwänden, wenn keine Bohrungen im Glas vorhanden sind.
Glasabzugsmaß: ca. 30 mm
Länge: 2000 mm
Glasstärke: 8 mm
Verstellbereich: + 5 mm / - 7 mm
Aluminium glanzeloxiert